RX6025AS 集成MOS單節鋰電池保護芯片
發布日期:2024-08-16
點擊次數:6421
RX6025AS 內置高精度電壓檢測電路和延遲電路,
是單節鋰離子/鋰聚合物可充電電池組保護的高集成
度解決方案。RX6025AS 片上集成了先進的低阻抗
功率MOSFET,高精度的電壓檢測電路,延時電路。
RX6025AS 具有充電過壓、放電過壓、充電過流、放
電過流,短路等所有的電池所需要保護功能,并且
工作時功耗非常低。
RX6025AS 具有非常小的SOT23-5 的封裝,這使得
該器件非常適合應用于空間限制非常小的可充
電電池組應用。
該芯片適用于一切需要鋰離子或鋰聚合物可充電
電池長時間供電的各種信息產品的應用場合。
特性
◆ 充電器反接保護、電池反接保護
◆ 芯片高溫保護
◆ 電池高溫保護
◆ 充電器檢測
◆ 過充電電流保護
◆ 過放電自鎖功能
◆ 三段過流檢測:
1.放電過流 1
2. 放電過流 2
3. 負載短路保護
◆ 內部集成等效 45mΩ先進的功率 MOSFET
◆ 低功耗電流:正常工作:1μA 典型
自鎖模式:100nA 最大
◆ 允許向 0V 電池充電功能
◆ ESD:HBM=4kV
◆ 封裝:SOT23-5
應用
◆ 單節鋰離子可再充電電池
◆ 單節鋰聚合物可再充電電池
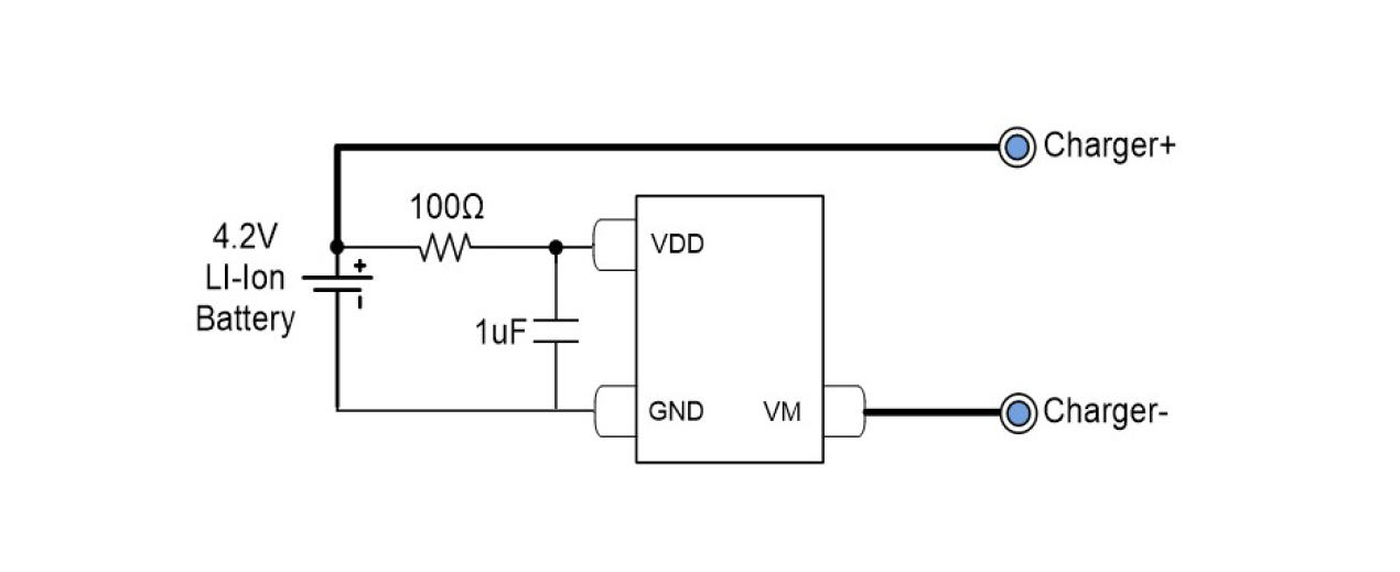
典型應用電路圖

引腳排列

引腳定義

深圳市正芯科技有限公司http://m.waterfrontpattaya.com/









